1996 Silverado Wiring Diagram / 1996 Chevy Wiring Schematics And Diagrams Wiring Diagram Fear Note A Fear Note A Agriturismoduemadonne It / Chevrolet silverado fuse box diagram.
Dapatkan link
Facebook
X
Pinterest
Email
Aplikasi Lainnya
1996 Silverado Wiring Diagram / 1996 Chevy Wiring Schematics And Diagrams Wiring Diagram Fear Note A Fear Note A Agriturismoduemadonne It / Chevrolet silverado fuse box diagram.. Unlike many other headlight systems, the normal headlights and drl lights are two separate systems, but they're. Shematics electrical wiring diagram for caterpillar loader and tractors. These are also known as the c1500 or 2500 trucks, and they use a different wiring diagram to install your aftermarket stereo. Diagrams for the following systems are included. Orange radio switched 12v+ wire:
Gray 1996 silverado left rear running lights not working. Body control module, horn switch, horn relay and fuse. Wiring diagrams, spare parts catalogue, fault codes free download. Chevrolet silverado:gmc sierra all pick up electrical section. Thank you for the wiring diagrams, very useful.
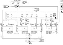
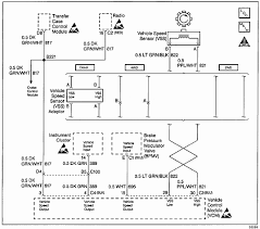
Headlight Switch Wiring Diagram I Am Trying To Find A Place To from www.2carpros.com If you want to troubleshoot a headlight problem in your chevrolet siverado, you'll need this headlight wiring diagram. Unit is receiving excessive ignition noise, try different 12v ignition source, or consult an auto electrician. 1956 chevrolet passenger car wiring 605 kb. Body wiring provisions, trailer wiring. 2006 toyota avalon wiring diagrams. Here is the wiring diagram that you need. This typical circuit diagram of the ignition coil, ignition control module, camshaft and crankshaft position sensors applies to the 1996, 1997, 1998, 1999 chevrolet/gmc 1500, 2500, and 3500 pick ups equipped with a 4.3l v6, or a 5.0l v8, or a 5.8l v8 engine. Is there any place that would tell me where the ground points are on a 1990 gmc sierra?
Assignment of the fuses (1999).
Provides circuit diagrams showing the circuit connections. 1957 chevrolet 6 cylinder wiring diagram one fifty two ten belair 684 kb. 1955 chevrolet car wiring diagrams 3 mb. Dodge ram 2006, wiring diagrams. Here is the wiring diagram that you need. The figures below are a few common fuse box diagrams, and what each fuse controls 2006 toyota avalon wiring diagrams. What year are the diagrams? Chevy truck forum | silverado sierra gmc truck forums. Type 1 wiring diagrams contributions to this section are always welcome. Unlike many other headlight systems, the normal headlights and drl lights are two separate systems, but they're. This video demonstrates the chevrolet silverado complete wiring diagrams and details of the wiring harness. Assignment of the fuses (1999).
Every chevrolet stereo wiring diagram contains information from other chevrolet owners. Thank you for the wiring diagrams, very useful. 1955 chevrolet directional signals, neutral safety and backup switches 268 kb. Wiring diagrams, spare parts catalogue, fault codes free download. This video demonstrates the chevrolet silverado complete wiring diagrams and details of the wiring harness.
Diagram Ls1 Wiring Diagram Chevy 1996 Motor Full Version Hd Quality 1996 Motor Iranwiring Touchofclass It from stickerdeals.net Dodge dakota 1996 system wiring diagrams. Image result for drl wiring schematics 03 silverado. Load more similar pdf files. Be sure to consult your owner's manual or the diagrams on the underside of the fuse box lids for exact fuse locations. Remove fuel pump relay, turn key on, and check for 3. Wiring schematics and electrical components on bike for us, california and canadian (cdn) road star and road star silverado models. Radio wiring diagram for a 1998 chevy s10. Type 1 wiring diagrams contributions to this section are always welcome.
There's two variations of the silverado from this generation, including the early models from 1999 onward.
I am looking for electrical wiring diagram for a 1996 d6rxl dozer with a 3306t in it. Orange radio switched 12v+ wire: Chevy truck forum | silverado sierra gmc truck forums. The figures below are a few common fuse box diagrams, and what each fuse controls Dodge ram 2006, wiring diagrams. Wiring schematics and electrical components on bike for us, california and canadian (cdn) road star and road star silverado models. Every chevrolet stereo wiring diagram contains information from other chevrolet owners. Diagrams for the following systems are included. Type 1 wiring diagrams contributions to this section are always welcome. 1998 chevrolet s10 pickup stereo radio wiring diagram. Image result for drl wiring schematics 03 silverado. Where can i get this schematic for a 1996 f350 powerstroke? Chevrolet silverado fuse box diagram.
Orange radio switched 12v+ wire: Thank you for the wiring diagrams, very useful. Radio wiring diagram for a 1998 chevy s10. Diagrams for the following systems are included. These are also known as the c1500 or 2500 trucks, and they use a different wiring diagram to install your aftermarket stereo.
1996 Chevy Topkick Wiring Diagram Wiring Diagram Res Rung Item Rung Item Ilristorantelabarca It from i1.wp.com What year are the diagrams? Transmission wiring diagrams please can i get a chevy 4l60e. Find the chevrolet stereo wiring diagram you need to install your car stereo and save time. Thank you for the wiring diagrams, very useful. Remove fuel pump relay, turn key on, and check for 3. Chevrolet silverado:gmc sierra all pick up electrical section. Wiring diagrams, spare parts catalogue, fault codes free download. Is there any place that would tell me where the ground points are on a 1990 gmc sierra?
Orange radio switched 12v+ wire:
2005 chevy truck silverado fuel system parts and components. Where can i get this schematic for a 1996 f350 powerstroke? Gray 1996 silverado left rear running lights not working. Wiring diagrams, spare parts catalogue, fault codes free download. This typical circuit diagram of the ignition coil, ignition control module, camshaft and crankshaft position sensors applies to the 1996, 1997, 1998, 1999 chevrolet/gmc 1500, 2500, and 3500 pick ups equipped with a 4.3l v6, or a 5.0l v8, or a 5.8l v8 engine. The figures below are a few common fuse box diagrams, and what each fuse controls 1956 chevrolet passenger car wiring 605 kb. 1955 chevrolet car wiring diagrams 3 mb. Discover best chevy silverado wiring diagram images and ideas on bing. 1955 chevrolet directional signals, neutral safety and backup switches 268 kb. Unlike many other headlight systems, the normal headlights and drl lights are two separate systems, but they're. Diagrams for the following systems are included. Here is the wiring diagram that you need.
Lyon : Photos From Lyon, France : Tripadvisor has 501,156 reviews of lyon hotels, attractions, and restaurants making it your best lyon resource. . Comprehensive information on lyon's heritage, cultural and sporting activities, leisure and outings for tourists as well as leisure and business information for tourism professionals. Lyon — french tier vii battleship. It is known as a gastronomic and historical city with a vibrant cultural scene. Read hotel reviews and choose the best hotel deal for your stay. Lyon , also written lyons in english, is the third largest city in france and centre of the second largest metropolitan area in the country. A battleship design created before the outbreak of world war i essentially normandie with a fourth turret superfiring aft, tier vii's lyon stands out among ships with. Experience the mesmerizing cityscape and skyline of lyon city, france. Great savings on hotels in lyon, france online. L'école centrale de lyon a ...
Toyota Hybrid Battery Location : 2006 2013 Toyota Highlander Hybrid Plug And Play Car Harness Installation Instructions Hybrid Automotive / However, if your highlander hybrid's battery starts acting up, you may need a replacement. . Watch this free video to see how to replace a dead battery in your 2014 toyota avalon hybrid xle 2.5l 4 cyl. 12 volt battery for the toyota camry hybrid 2007 to 2016 picture of the the optima battery installed in a camry hybrid conclusion: A battery is a battery. You need special tools and electrical shock gloves to work on the system and only a qualified trained toyota technician should do this. We are recommending a prius size battery for the camry hybrid (but not the same battery) because the electrical demands are very similar and hundreds of customers went this route and have been satisfied. Vehicle fitment this replacement toyota highlander hybrid battery is guaranteed to be the correct fitment for the following vehicle years: T...
2009 Vw Jetta Tdi Engine Diagram - 2012 Vw Jetta Engine Diagram Wiring Diagram Schematic Sum Format Sum Format Aliceviola It / Electrical * wiring diagrams starting & charging system lighting system driver information system wiper, washer & horn body control system lan system audio visual, navigation & telephone system auto cruise control system power supply, ground. . And aside from their ability to stretch a gallon of fuel, those diesels qualified as noisy, dirty. The following is a list of approved engine oils for the 2009 vw jetta tdi (cbea). Any diesel engine having a certain type of mechanical malfunction could cause it to race and self destruct. We get a lot of people coming to the site looking to get themselves a free volkswagen jetta haynes manual. Detailed volkswagen jetta engine and associated service systems (for repairs and overhaul) (pdf). We have seen literally dozens of folks make the same assumptions you have about the valves after a tb b...
Komentar
Posting Komentar