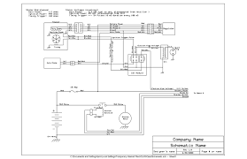
Wiring Diagram For 150Cc Scooter : I2 Wp Com I687 Photobucket Com Albums Vv233 San / Complete wiring harness, for gy6 125, 150cc scooter moped imported from china.
Dapatkan link
Facebook
X
Pinterest
Email
Aplikasi Lainnya
Wiring Diagram For 150Cc Scooter : I2 Wp Com I687 Photobucket Com Albums Vv233 San / Complete wiring harness, for gy6 125, 150cc scooter moped imported from china.. Scooter bajaj_chetak wiring diagram b&w nov 2002. Since you can see drawing and translating 150cc scooter wiring diagram may be complicated undertaking on itself. Looking for engine part diagrams? Complete wiring harness, for gy6 125, 150cc scooter moped imported from china. Схема электрическая на stels vortex 150;
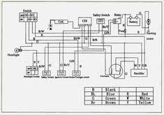
Was it the diagram of the regulator 5 wires or your 150cc bajaj full diagram?.if full then we do not have that sorry. View and download honda pcx150 2013 service manual online. > pacifica 150 wire diagram. Gas scooter 150cc scooter scooter parts electric scooter electric motor motorcycle wiring motorcycle headlight motor dc cars. Stop asking me for wiring diagrams for scooters.
List Of Wiring Diagrams Moped Wiki Moped Army from www.mopedarmy.com Cpi user service manual 50 cc scooter. 50cc 150cc moped gy6 wire diagram ds 8943 chinese baja 150 atv wiring diagrams on tao 150d 757 scooter library d1fdc36 honda 0404 toyota noah free engine image for user manual lifan bb 6862 harness roketa mc 08 schematic 14a639 cobra 50 ignition troubleshooting guide no spark buggy. Since you can see drawing and translating 150cc scooter wiring diagram may be complicated undertaking on itself. See this page for our complete library of pdf manufacturer parts lists and manuals for most makes of gokarts, atvs, scooters, motorcycles and more. 50cc scooter cdi wiring diagram besides 80cc dirt mini bike besides. See more ideas about scooter, 150cc scooter, chinese scooters. View and download honda pcx150 2013 service manual online. Honda ca95 benly 150 touring parts list diagram manual.
See more ideas about scooter, 150cc scooter, chinese scooters.
This is the most helpful diagram i've seen on this topic. Includes chinese, italian and us models. 200 watt 24v electric scooter manual. If you are getting a new scooter and need it prepped before delivery we can take delivery for you and deliver to you ready to ride from our shop. Stop asking me for wiring diagrams for scooters. > pacifica 150 wire diagram. Can you help me with my raider 150 fi,fan not working,fuse was ok,i need wiring diagram for raider150fi. It is integrated with the carburetor. Full electrical wiring diagram of the king of underbone motorcycle. Gy6 150 wiring diagram diagrams schematics and 150cc electrical wiring. 50cc 150cc moped gy6 wire diagram ds 8943 chinese baja 150 atv wiring diagrams on tao 150d 757 scooter library d1fdc36 honda 0404 toyota noah free engine image for user manual lifan bb 6862 harness roketa mc 08 schematic 14a639 cobra 50 ignition troubleshooting guide no spark buggy. 150cc scooter wiring diagram video. Gy6 150cc ignition troubleshooting guide:
Honda ca95 benly 150 touring parts list diagram manual. Looking for engine part diagrams? 50cc scooter cdi wiring diagram besides 80cc dirt mini bike besides. Схема электрическая на stels vortex 150; 50cc 150cc moped gy6 wire diagram ds 8943 chinese baja 150 atv wiring diagrams on tao 150d 757 scooter library d1fdc36 honda 0404 toyota noah free engine image for user manual lifan bb 6862 harness roketa mc 08 schematic 14a639 cobra 50 ignition troubleshooting guide no spark buggy.
List Of Wiring Diagrams Moped Wiki Moped Army from www.mopedarmy.com Components diagram 1:49 vin location 2:01 tire pressure 5:49 oil change 6:29 gear oil 6:59 spark plug 7:26 battery 7:36 wiring diagram 8:29 specifications 9:06. They have all stock parts for the. Wiring diagrams for lifan 150cc engine. Complete wiring harness, for gy6 125, 150cc scooter moped imported from china. Click to view the largest online inventory for gy6, 2 & 4 stroke, 50cc, 125cc, 150cc, and 250cc engines. Cpi user service manual 50 cc scooter. It is integrated with the carburetor. 50cc 150cc moped gy6 wire diagram ds 8943 chinese baja 150 atv wiring diagrams on tao 150d 757 scooter library d1fdc36 honda 0404 toyota noah free engine image for user manual lifan bb 6862 harness roketa mc 08 schematic 14a639 cobra 50 ignition troubleshooting guide no spark buggy.
Tech service for all scooters need help fixing your scooter you got it here with email tech service to get you up and running including mauals.
Honda ca95 benly 150 touring parts list diagram manual. Stop asking me for wiring diagrams for scooters. Gy6 150cc ignition troubleshooting guide: Diamo 150cc engine parts catalog. Components diagram 1:49 vin location 2:01 tire pressure 5:49 oil change 6:29 gear oil 6:59 spark plug 7:26 battery 7:36 wiring diagram 8:29 specifications 9:06. Honda common maintenance repair service manual. Can you help me with my raider 150 fi,fan not working,fuse was ok,i need wiring diagram for raider150fi. This guide covers almost any of the 150cc buggies, scooters, or atv's with the standard ac cdi setup. The first version was downloaded over 136,494 times and we're happy that this information continues we'll stick our cdi pinout diagram right here so you'll have access to it for the steps below. View and download honda pcx150 2013 service manual online. See more ideas about scooter, 150cc scooter, chinese scooters. Gy6 150 wiring diagram diagrams schematics and 150cc electrical wiring. Remove the automatic choke lead wire.
Parallel connection is much more complex than the string one. We supply tow type harness fits to 11 coil stator and 8 coil stator. Cpi user service manual 50 cc scooter. The mechanics may use a diagram to my baccio vx150 has a chinese gy6 engine in it as do a lot of 150 scooters do that are chinese or japanese made. Honda common maintenance repair service manual.
List Of Wiring Diagrams Moped Wiki Moped Army from www.mopedarmy.com This guide covers almost any of the 150cc buggies, scooters, or atv's with the standard ac cdi setup. Related searches for 150cc scooter wiring diagrams gy6 150cc wiring diagramgy6 150cc scooter. If you are getting a new scooter and need it prepped before delivery we can take delivery for you and deliver to you ready to ride from our shop. Scooter bajaj_chetak wiring diagram b&w nov 2002. Complete wiring harness, for gy6 125, 150cc scooter moped imported from china. Looking for engine part diagrams? See this page for our complete library of pdf manufacturer parts lists and manuals for most makes of gokarts, atvs, scooters, motorcycles and more. Схема электрическая на stels vortex 150;
Wiring diagrams for lifan 150cc engine.
See more ideas about scooter, 150cc scooter, chinese scooters. Gas scooter 150cc scooter scooter parts electric scooter electric motor motorcycle wiring motorcycle headlight motor dc cars. View and download honda pcx150 2013 service manual online. Was it the diagram of the regulator 5 wires or your 150cc bajaj full diagram?.if full then we do not have that sorry. Схема электрическая на stels vortex 150; 200 watt 24v electric scooter manual. They have all stock parts for the. Taotao 150cc scooter manual taotao 50cc scooter wiring diagram taotao repair manual gy6 150cc scooter service manual pdf taotao 49cc scooter wiring diagram taotao on most versions of roketa 150cc engines, the choke is automatic and electrically driven. > pacifica 150 wire diagram. Gy6 150cc ignition troubleshooting guide: If so please could you email me a copy to mickohanlon230@gmail.com thanks. We supply tow type harness fits to 11 coil stator and 8 coil stator. This is the most helpful diagram i've seen on this topic.
Lyon : Photos From Lyon, France : Tripadvisor has 501,156 reviews of lyon hotels, attractions, and restaurants making it your best lyon resource. . Comprehensive information on lyon's heritage, cultural and sporting activities, leisure and outings for tourists as well as leisure and business information for tourism professionals. Lyon — french tier vii battleship. It is known as a gastronomic and historical city with a vibrant cultural scene. Read hotel reviews and choose the best hotel deal for your stay. Lyon , also written lyons in english, is the third largest city in france and centre of the second largest metropolitan area in the country. A battleship design created before the outbreak of world war i essentially normandie with a fourth turret superfiring aft, tier vii's lyon stands out among ships with. Experience the mesmerizing cityscape and skyline of lyon city, france. Great savings on hotels in lyon, france online. L'école centrale de lyon a ...
Toyota Hybrid Battery Location : 2006 2013 Toyota Highlander Hybrid Plug And Play Car Harness Installation Instructions Hybrid Automotive / However, if your highlander hybrid's battery starts acting up, you may need a replacement. . Watch this free video to see how to replace a dead battery in your 2014 toyota avalon hybrid xle 2.5l 4 cyl. 12 volt battery for the toyota camry hybrid 2007 to 2016 picture of the the optima battery installed in a camry hybrid conclusion: A battery is a battery. You need special tools and electrical shock gloves to work on the system and only a qualified trained toyota technician should do this. We are recommending a prius size battery for the camry hybrid (but not the same battery) because the electrical demands are very similar and hundreds of customers went this route and have been satisfied. Vehicle fitment this replacement toyota highlander hybrid battery is guaranteed to be the correct fitment for the following vehicle years: T...
2009 Vw Jetta Tdi Engine Diagram - 2012 Vw Jetta Engine Diagram Wiring Diagram Schematic Sum Format Sum Format Aliceviola It / Electrical * wiring diagrams starting & charging system lighting system driver information system wiper, washer & horn body control system lan system audio visual, navigation & telephone system auto cruise control system power supply, ground. . And aside from their ability to stretch a gallon of fuel, those diesels qualified as noisy, dirty. The following is a list of approved engine oils for the 2009 vw jetta tdi (cbea). Any diesel engine having a certain type of mechanical malfunction could cause it to race and self destruct. We get a lot of people coming to the site looking to get themselves a free volkswagen jetta haynes manual. Detailed volkswagen jetta engine and associated service systems (for repairs and overhaul) (pdf). We have seen literally dozens of folks make the same assumptions you have about the valves after a tb b...
Komentar
Posting Komentar